解決方案
SOLUTION
高空作業車液壓閥組
2019-01-23
首頁 > 解決方案 > 配套產品 > 液壓閥 > 高空作業車液壓閥組

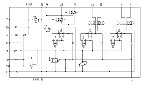
項目:?高空作業車液壓閥組
編號:?jc11
用于泵出口邏輯分配、臂架伸縮、臂架變幅及回轉等動作的控制。
The?valve?assembly?is?used?for?control?the?motion?of?slew,?telescope,?luffing?and?the?flow?distribution.工作流量:120?L/min
最大壓力:350?bar
